舒尔茨导热油小课堂之聚酯行业热媒系统解读
发布日期 :
2018/06/04
我国是世界化纤生产与应用大国。相关数据显示,2017年,我国化纤总产量达到4714万吨,占到全球化纤总量的71%,稳居世界第一。而在化纤行业中,聚酯纤维所占的比例是最大的。聚酯纤维是指主链含有酯基的一类聚合物,经纺丝而制成的纤维,目前多指以对苯二甲酸乙二酯为原料生产的纤维,商品名称缩写简称为PET纤维。在我国俗称为“涤纶”、“的确良”。
聚酯生产工艺
目前,聚酯的合成方法主要采用对苯二甲酸(PTA)和乙二醇(EG)为原料的直接酯化法(PTA法)。我国自80年代引进美国杜邦、瑞士伊文达、德国吉玛三家公司PTA法生产工艺以来,到90年代末,中纺院消化吸收吉玛技术的基础上推出我国自己的生产技术。目前我国大多数聚酯生产企业采用的是中纺院推出的四釜流程工艺路线,即由第一酯化反应器、第二酯化反应器、预缩聚反应器、终缩聚反应器所组成的聚酯工艺路线。涤纶生产工艺流程请见下图:
聚酯装置中的热媒系统
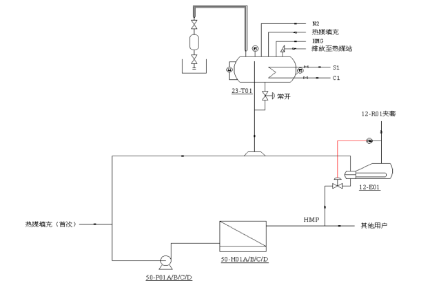
由于对苯二甲酸与乙二醇发生缩聚反应的温度要求320℃以上,聚酯在进行生产时只能采用导热油进行加热,故导热油(又称有机热媒)系统是聚酯装置的重要组成部分,系统包括一次热媒系统、二次热媒系统。
一次热媒系统由热媒炉、热媒泵以及热媒总管和热媒膨胀槽组成。一次热媒系统是一个完整的闭合循环回路,热媒通过热媒泵从热媒炉顶部进入炉内盘管,加热并从炉底输出进入热媒总管。热媒供聚酯装置总管温度设计控制在320℃左右,一次热媒系统回路上设有热媒膨胀槽,以补偿热媒在循环回路中由于温度变化所产生的热膨胀或收缩,保证一次热媒系统正常稳定运行,同时热媒膨胀槽对二次液相热媒系统用户的循环管路具有脱气、脱水的作用。一次热媒系统循环示意图如下:
相对于一次热媒来说,通常将装置中反应器内盘管等的热媒称为二次热媒,在装置内有二次热媒循环泵。二次热媒的温度一般为250~290℃。采用一次热媒加热气相热媒蒸发器中的气相热媒介质。热媒蒸发器供乙二醇蒸汽喷射泵管线、预缩聚反应器气相管线、终缩聚反应器汽相管线及终缩聚真空系统保温。二次热媒系统循环示意图,如下:
由此可见,在聚酯的生产流程中,高温合成导热油的所发挥的作用是不可忽视的,由于聚酯生产装置产量大、负荷高、温度高,故导热油的产品质量将直接影响整个聚酯装置的生产稳定性。
聚酯行业热媒系统案例
据了解,2014年,浙江省某化纤龙头企业在其新聚酯项目中,因缺乏对导热油产品的专业了解,以及遭遇厂家的夸大宣传,选用了无法长期在缩聚反应温度320℃下使用的二苄基甲苯导热油,仅短短两年,该导热油系统残炭含量就达到了报废标准,导致管路结焦严重,后期只能通过不间断导热油再生和补充苦苦支撑,给生产带来不稳定性也给该公司带来巨大的经济损失。
另外,福建晋江一家大型化纤企业也是在其1期项目中选用了二苄基甲苯类导热油,使用不到4年就开始做再生,可是再生后不久就又出现了残炭升高过快的现象,最后只能全部更换成氢化三联苯导热油。目前已经有不少这样的企业在选择企业和导热油品种中受损,由此可见,在选择导热油种类时,一定要根据自身工况、生产工艺选择适合的产品,且在选购时产品认准正规厂家,避免出现厂家虚假宣传的情况。
实际上,聚酯缩聚工艺采用氢化三联苯合成导热油进行加热已成为全球绝大部分聚酯生产企业的共识。氢化三联苯在化学结构上由于三个六元环紧密分布和苯共轭体系的稳定性,降解产物多为低分子产物,不易产生聚合物,具有优异的抗结焦性能,同时热稳定性相较二苄基甲苯类导热油更为优异,可以保证在330℃以下长期稳定使用,在使用过程中具有寿命长,补充量少的特点,完全满足聚酯缩聚工艺的用热需求。
舒尔茨导热油是我国首家工业化生产氢化三联苯的企业,其氢化三联苯导热油SCHULTZ®S750已获全球单线产能最大的聚酯项目全系统选用。









